110 000 руб./шт
Под заказ (уточните срок поставки)
-
+
Станция глубокой биологической очистки Alta BIO 5 OR (до 5 чел, самотечная система)
Не является публичной офертой.
Цена действительна только для интернет-магазина и может отличаться от цен в розничных магазинах.
Технические характеристики, описания и изображения товаров даны для первичной оценки и должны быть уточнены в документации производителя перед покупкой.
Цена действительна только для интернет-магазина и может отличаться от цен в розничных магазинах.
Технические характеристики, описания и изображения товаров даны для первичной оценки и должны быть уточнены в документации производителя перед покупкой.
- Описание
- Характеристики
- Наличие на складе
-
Автономная канализация Alta Bio 5 OR
Автономная канализация Alta Bio 5 OR является комплексной системой очистки сточных вод для домов с проживанием до 5-х человек (объём сточной воды до 1,0 м3 в сутки).
Очистка происходит методом биофильтрации с использованием осаждающего препарата.
Alta Bio 5 OR выпускаются в корпусах круглого сечения, адаптированного для установки оборудования в стандартные бетонные кольца. Данный монтаж применим в условиях высокого уровня грунтовых вод, при значительной подвижности грунта, если Станцию необходимо смонтировать на значительной глубине, например, в сложных климатических условиях со значительным промерзанием грунта.
Автономная канализация Alta Bio 5 OR изготовлена из полиэтилена и/или полипропилена, легка в транспортировке и проста в установке. Конструкция Станции Alta Bio 5 OR - это самонесущий резервуар из прочного пластика. Прочность корпуса определена применением пластика толщиной 8 мм, имеющего очень высокие прочностные характеристики, и наличием внутренних технологических перегородок и ребер жесткости.
Срок службы деталей корпуса 50 лет!
Благодаря дизайну автономная канализация Alta Bio 5 OR занимает минимальную площадь и органично вписываются в ландшафт участка. Герметичность любой станции автономной канализации исключает попадание стоков в колодец питьевой воды, а также гарантируют полное отсутствие запаха при работе.Технические характеристики:
Параметры
Значение
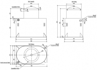
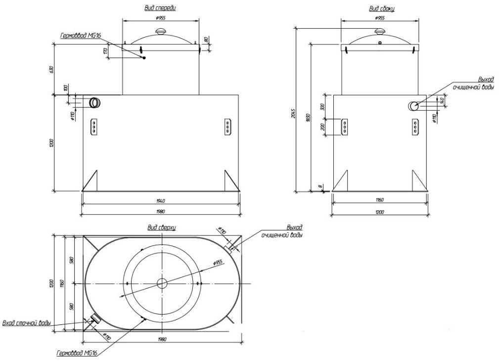
Высота, мм
2440
Максимальный залповый сброс, л
210
Диаметр основания, мм
1300
Диаметр горловины, мм
1220
Вес, кг
125
Глубина / диаметр входа, мм
685/110
Глубина / диаметр выхода, мм
725/110
Площадь для установки системы, м2
2,3
Объем земляных работ, м3
4,6
Электрооборудование
Погружной дренажный насос
Установочная мощность, кВт
0,32
Энергопотребление, кВт/ч
0,08
Напряжение, В
220
Рекомендованные параметры подводящего электрокабеля
3х1,5
Принцип работы автономной канализации Alta Bio 5 OR
В основной принцип работы автономной канализации Alta Bio 5 OR заложено осаждении взвешенных частиц в трехкамерном отстойнике и биофильтрация сточных вод, которая происходит с помощью уникальной "вечной" биозагрузки, разработанной Компанией Alta Group.Преимущества автономной канализации Alta Bio 5 OR:
- обслуживание раз в год;
- гармоничный дизайн исполнения системы 'зеленый верх', хорошо вписывается в ландшафт приусадебного участка;
- самотечный выброс очищенной воды, неограниченное время работы в режиме простого отстойника без внешнего электропитания;
- нет ограничения по сбросу бытовых отходов (салфетки, пища и т.п.);
- система рециркуляции очищенной воды, не требуется постоянное проживание;
- добавление коагулянта, увеличение скорости осаждения взвешенных веществ, удаление фосфора из стока;
- простое подключение c усовершенствованной системой подключения питания;
- надежная автоматика, не боится затопления;
- малый вес;
- габаритная транспортировка;
- наличие монтажной юбки, возможность монтажа станции без бетонного основания;
- доступность и сервис по всей России и СНГ.
Особенности автономной канализации Alta Bio 5 OR
Автономная канализация Alta Bio 5 OR не требует постоянного проживания и быстро выходит на заявленный режим работы без вмешательства специалистов, а также обязательного оборудования такого как: поле поглощения, поле фильтрации или колодец. Сброс воды, прошедшей очистку, можно организовать непосредственно на грунт, либо в специальные дренажные и ливневые системы.
Периодичность обслуживания автономной канализации - один раз в год, которое можно проводить самостоятельно, либо ассенизационной машиной.Документы
Aita_Bio_паспорт_на_станции_очистки.pdf Размер: 2.94 МбAita_Bio_методическое_пособие_станции_очистки.pdf Размер: 2.43 МбAita_Bio_буклет_станции_очистки.pdf Размер: 1.01 МбAita_Bio_брошюра_станции_очистки.pdf Размер: 1.66 Мб -
Способ отведения стоков Самотечная система Производительность, м3/сутки 1 Кол-во пользователей До 5 человек Пиковый сброс, л 210 Комплектующие Нет -
Под заказ (уточните срок поставки)


